電壓3-相200-240V
| 型號 |
一般負載
輸出電流(A)
|
重負載
輸出電流(A)
|
外殼 | 變頻部 | 整流部 | 動態剎車 |
EMC濾波器 (選件) |
DC電抗器 (選件) |
| 0P7H | 2.5 | 1.5 | P1 |
Rec+Inv+DB
Composite device
|
IGBT
+ Register |
Built-in
(Group1-ClassA)
|
External | |
| 1P5H | 3.6 | 2.5 | ||||||
| 2P2H | 5.5 | 3.6 | ||||||
| 4P0H | 8.6 | 5.5 | ||||||
| 5P5H | 13 | 8.6 | ||||||
| 7P5H | 17 | 13 | P2 | |||||
| 011H | 23 | 17 | ||||||
| 015H | 31 | 23 | ||||||
| 018H | 37 | 31 | P3 | 6in1 | 6in1+DB | IGBT |
Built-in
(Group2-ClassA)
|
|
| 022H | 44 | 37 | 2in1 | 6in1 | ||||
| 030H | 60 | 44 | M1 | |||||
| 037H | 72 | 60 | ||||||
| 045H | 84 | 72 | ||||||
| 055H | 108 | 87 | M2 | 6in1 | ||||
P1-3: Plastic Case / M1-3: Sheet Metal / L1-6: Sheet Metal
電壓3-相380-480V
| 型號 |
一般負載
輸出電流(A)
|
重負載
輸出電流(A)
|
外殼 | 變頻部 | 整流部 | 動態剎車 |
EMC濾波器 (選件) |
DC電抗器 (選件) |
| 0P7L | 5 | 3 | P1 |
Rec+Inv+DB
Composite device
|
IGBT
+
Register
|
Built-in
(Group1-ClassA)
|
External | |
| 1P5L | 8 | 5 | ||||||
| 2P2L | 11 | 8 | ||||||
| 4P0L | 16 | 11 | ||||||
| 5P5L | 22 | 16 | ||||||
| 7P5L | 33 | 24 | P2 | External | ||||
| 011L | 42 | 33 | ||||||
| 015L | 61 | 46 | P3 | 7in1 | 6in1 | IGBT | ||
| 018L | 76 | 61 | ||||||
| 022L | 86 | 76 | M1 | 2in1 | External | |||
| 030L | 108 | 92 |
Built-in
|
|||||
| 037L | 134 | 118 | M3 | 2in1xn | ||||
| 045L | 161 | 144 | ||||||
| 055L | 194 | 173 | L1 | 2in1 | ||||
| 075L | 270 | 210 | L2 | |||||
| 090L | 328 | 286 | L3 | |||||
P1-3: Plastic Case / M1-3: Sheet Metal / L1-6: Sheet Metal
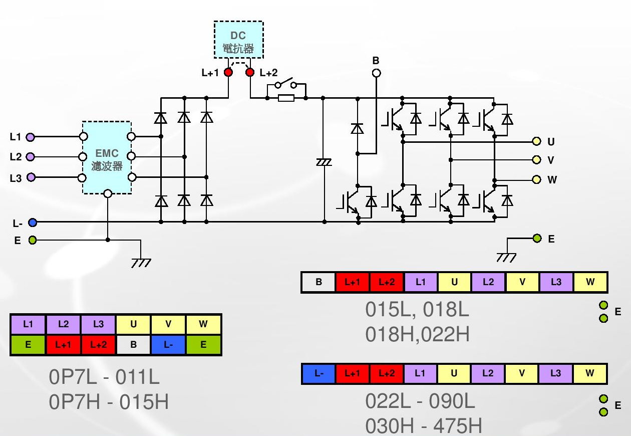
硬體選件
1.EMC 濾波器 2. DC 電抗器

註: 7P5L -018L的EMC濾波器及DC電抗器居為外部安置
主迴路端子台

外觀尺寸
| 外殼 |
L:200V 系列
H:400V 系列
|
VT240S 尺寸 (mm) | VT230S 尺寸 (mm) | ||||
| W | H | D | W | H | D | ||
| P1 | 0P7L - 5P5L | 155 | 250 | 180 | 170 | 243 | 162 |
| 0P7H - 5P5H | |||||||
| P2 | 7P5L,011L | 205 | 275 | 196 | 216 | 275 | 169 |
| 7P5H - 015H | |||||||
| P3 | 015L,018L | 260 | 350 | 298 | 265 | 360 | 228 |
| 018H - 030H | |||||||
| M1 | 022L,030L | 300 | 470 | 317 | 310 | 500 | 259 |
| 037H - 045H | |||||||
| M2 | 055H | 300 | 520 | 317 | 342 | 590 | 307 |
| M3 | 037L,045L | 340 | 520 | 317 | |||
| L1 | 055L | 435 | 615 | 350 | 420 | 690 | 309 |
| 075H,090H | |||||||
| L2 | 075L | 500 | 710 | 350 | 480 | 740 | 352 |
| 110H,132H | |||||||
| L3 | 090L | 488 | 980 | 470 | 488 | 980 | 358 |
| 160H,200H | |||||||
| L4 | 250H | 580 | 1260 | 470 | 680 | 1100 | 379 |
| L5 | 315H-475H | 870 | 1260 | 470 | 870 | 1300 | 379 |
P1-3: Plastic Case / M1-3: Sheet Metal / L1-5: Sheet Metal
VT240S–結構


VT240S-0P7L ~5P5L 及0P7H ~5P5H
塑膠外殼

- ( ) 內數值為VT230S.
-
底部面積93.8%, 及體積99.6%.
皆以VT230S (100%)為基準作比較
自立盤選購品

CPU 邏輯電路板
類比輸出選擇
- W3:0-10V 或4-20mA 選擇(AO1)
- W4:0-10V 或4-20mA 選擇(AO2)
標準串列通信埠
- CN2:模組化連接器
-
TB3:端子台
(以上為兩者並聯. 同一時間只能使用其中一個.)
Sink/Source 選擇
- W1:PSI1 ~PSI6 (端子輸入)
- W2:PSI7 (端子或脈波輸入)
其他選擇
- DS1-1:終端電阻on 或off 選擇
- DS1-2:0-10V 或4-20mA 選擇(AI1)
- DS1-3:0-10V 或4-20mA 選擇(AI2)
- DS1-4:端子或脈波輸出選擇(PSO3)

CPU 邏輯電路板
